发布时间:2023-06-19 人气:443 来源:本站
液体除菌过滤器在线蒸汽灭菌操作规程
1.适用范围:
本规程适用于以饱和蒸汽作介质时的液体过滤器(除菌微孔膜折叠滤芯)在线灭菌消毒。
2.基本条件:
2.1 蒸汽为饱和状态,其进气压力应大于0.11MPa 。
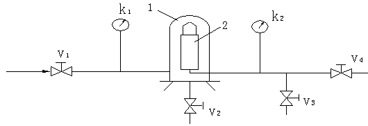
2.2 装置示意

1 —过滤器外壳 2 —折叠式滤芯
v1— 调节阀(蒸汽) v2— 滤器排污阀 v3— 调节阀(针形阀) v4— 下游系统阀
k1、k2—压力表(蒸汽)[separator]
3.操作步骤
3.1 关闭v3、v4阀,全开v2阀。
3.2 缓慢打开v1阀,调节v1阀开启度,以使管道、过滤器壳体中容积水、冷
凝水通过v2阀排尽。
3.3 v2阀关闭一半,v3针形阀手柄按打开方向旋转360°。
3.4 调节v1阀,使k1压力读数保持在0.11MPa 。
3.5 v3阀有蒸汽排出后,调节v1、v3阀,以使k1压力读数保持在0.11MPa,k2
压力读数保持在0.08~0.09MPa,此时开始计算灭菌消毒时间。
3.6 灭菌消毒时间控制在30分钟。
3.7 关闭v1阀,打开v2阀,待蒸汽排尽后关闭v2阀,此时灭菌消毒过程完成。
4.注意事项
4.1消毒用蒸汽必须是饱和蒸汽,蒸汽进入过滤器的压力k1必须控制在0.12MPa以下,否则滤膜将有可能被损坏。
4.2 蒸汽灭菌过程中,v2阀不可全关闭,k1、k2压差必须控制在0.03MPa以内,
否则滤芯将有可能被损坏。
4.3 滤芯如用非水溶剂(例如酒精)作为介质使用过(例如测试),蒸汽灭菌前必
须将非水溶剂清洗干净,否则在作蒸汽灭菌时滤膜将会被损坏。
热线电话
0769-8896 1960
上班时间
周一到周五
公司电话
186 8868 1654
